推荐产品
产品/专题
益达注册SMS3000与欧美某品牌HP300圆锥破碎机对比分析
益达注册圆锥破和欧美某品牌圆锥破并驾齐驱,在韩国混凝土企业的骨料生产线共同担任二破重任。【详细】
推荐方案
物料
时产
我国进入大基建时代以来,重大工程项目数量剧增,对于砂石骨料的需求越来越大。砂石行业也呈现环保化、大型化、智能化等发展趋势,高质量发展的诉求对砂石生产设备的环保、节能、高效、大产能、颗粒级配等方面提出了更高的要求。益达注册股份作为中国砂石设备行业的领军企业,始终走在行业前端,可为客户提供集设计、制造和服务于一体的大型化、智能化、绿色环保的砂石骨料生产工厂整体解决方案。
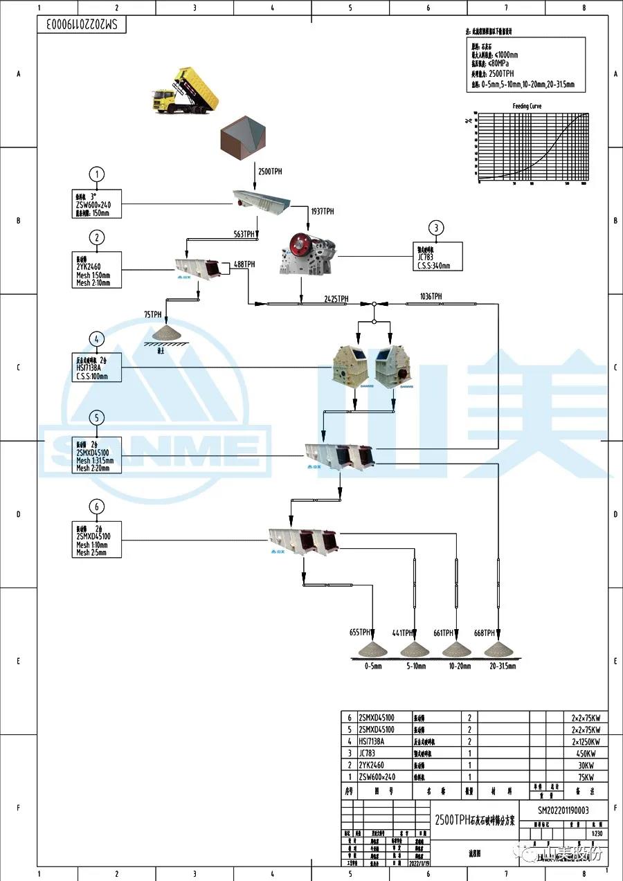
石灰石主要成分是碳酸钙,具有抗化学性、抗酸、不易腐蚀,莫氏硬度3,属于软岩,是我国主要矿产资源之一,分布相当广泛,岩性均一,易于开采加工,是一种用途很广的建筑材料。本文以时产2500吨的石灰石骨料生产线为例,主要为您讲述益达注册股份“颚破+反击”工艺方案及特点。
生产能力:2500t/h
颚破进料口尺寸:1500x2100mm
抗压强度:≤150Mpa

破碎筛分设备明细表
布局紧凑,便于设备检查和维修,可避免因设备检修不利造成的经济损失;